7:00 a 17:00 | V 7:00 a 15:00
Síguenos en redes:
Productor Aluminio

"Productor Aluminio es la herramienta que necesita para presupuestar y fabricar sus ventanas"

Programa para fabricantes de ventanas, potente y sencillo de manejar, le permite realizar el Marcado CE de las ventanas.

 

Dedicamos mucho esfuerzo a introducir y mantener los datos de los proveedores de perfiles de carpintería y herrajes.
A continuación aparece el detalle de series de carpintería y herrajes del siguiente proveedor.

Incluyen perfiles, accesorios, herrajes, medidas de corte y clasificaciones del Marcado CE (aire, agua, viento) para valorar y fabricar ventanas, puertas y cerramientos

Extrual Parque Empresarial Campollano Calle A Parcela 24 02007 Albacete Teléfono de contacto 967 21 66 62   Web del proveedor www.extrual.com   eMail del proveedor [email protected]  
45
Practicable
48
Corredera
2
Mallorquina
3
Plegable
Abatible
 
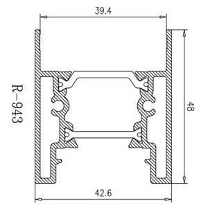
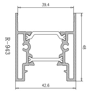
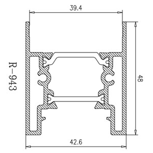
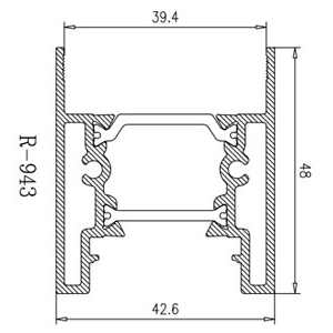
E-75HO (DOBLE JUNTA TERMICA) (RPT)
 
E-65 JUNTA TERMICA (RPT)
 
E-75P/ (RPT) (C16)
Aire: Clase 4   Agua: Clase E1200   Viento: Clase C5
 
E-65 (RPT)
Aire: Clase 4   Agua: Clase E1200   Viento: Clase C5
 
E-75P (RPT)
Aire: Clase 4   Agua: Clase E1200   Viento: Clase C5
 
E-65/ (RPT) (C16)
Aire: Clase 4   Agua: Clase E1200   Viento: Clase C5
 
E-75P JUNTA TERMICA (RPT)
 
E-75 HO/ (RPT) (C16)
Aire: Clase 4   Agua: Clase E750   Viento: Clase C5
 
E-110
 
E-65 DOBLE JUNTA TERMICA (RPT)
 
E-75P DOBLE JUNTA TERMICA (RPT)
 
E-75HO (RPT)
Aire: Clase 4   Agua: Clase E1200   Viento: Clase C5
 
E-45
 
E-45 ACOPLE MARCO
 
E-45 ZOCALO
 
E-54 (RPT)
Aire: Clase 4   Agua: Clase 8A   Viento: Clase C5
 
E-90 (RPT)
 
E-28 COPLANAR PUERTA
 
E-90 ACOPLE MARCO (RPT)
 
E120 CANCELA
 
E-25 (RPT)
Aire: Clase 4   Agua: Clase E750   Viento: Clase C5
 
E-16 (40MM) (C16)
Aire: Clase 4   Agua: Clase 9A   Viento: Clase C4
 
E-16 (45MM) (C16)
Aire: Clase 4   Agua: Clase 9A   Viento: Clase C4
 
E-16 (45MM) (RPT) (C16)
Aire: Clase 4   Agua: Clase 9A   Viento: Clase C4
 
E-16 (55MM) (RPT) (C16)
Aire: Clase 4   Agua: Clase E1200   Viento: Clase C4
 
E-22
Aire: Clase 4   Agua: Clase E750   Viento: Clase C5
 
E-22 COPLANAR
 
E-36 (RPT)
Aire: Clase 4   Agua: Clase E750   Viento: Clase C5
 
E-22 PUERTA
 
E-28 PUERTA
Aire: Clase 4   Agua: Clase E750   Viento: Clase C5
 
E-25/70 (RPT)
Aire: Clase 4   Agua: Clase E750   Viento: Clase C5
 
E-25 COPLANAR (RPT)
 
E-25 COPLANAR PUERTA (RPT)
 
E-25 PUERTA (RPT)
 
E-28
Aire: Clase 4   Agua: Clase E750   Viento: Clase C5
 
E-28 COPLANAR
 
E-54 COPLANAR (RPT)
 
E-22 COPLANAR PUERTA
 
(EU) E120 CANCELA BISAGRA SUPERIOR
 
E-45 ZOCALO ACOPLE MARCO
 
E120 VALLAS
Corredera
 
E-140
 
E-140 (RPT)
 
E-140 (RPT)
 
E-150 (RPT)
 
E-140 (RPT)
 
E-150 ENTREMUROS M,INF OCULTO PISO CORRIDO(RPT)
 
E-24 - (MARCO 77 RECTO - HOJA RECTA)
Aire: Clase 3   Agua: Clase 6A   Viento: Clase C5
 
E-150 ENTREMUROS MARCO INFERIOR OCULTO (RPT)
 
E-150 ENTREMUROS (RPT)
 
E-150 MARCO INFERIOR OCULTO (RPT)
 
E-21 - (CORTE RECTO)
Aire: Clase 3   Agua: Clase 6A   Viento: Clase C3
 
E-150 MARCO INFERIOR OCULTO PISO CORRIDO(RPT)
 
E-24 (MARCO 70 - HOJA RECTA MULTIPUNTO)
Aire: Clase 3   Agua: Clase 6A   Viento: Clase C5
 
E-24 - (MARCO 77 RECTO - HOJA RECTA MULTIPUNTO)
Aire: Clase 3   Agua: Clase 6A   Viento: Clase C5
 
E-24 - (MARCO PERIMETRAL - HOJA RECTA)
Aire: Clase 3   Agua: Clase 6A   Viento: Clase C5
 
E-24 - (MARCO 70 RECTO - HOJA RECTA)
Aire: Clase 3   Agua: Clase 6A   Viento: Clase C5
CorrederaPerimetral
 
E-130 DESLIZANTE (RPT)
 
E-75 (RPT)
 
E-75 (RPT)
 
E-75
 
E-60 (ELEVABLE) MINIMALISTA (RPT)
 
E-80 - (PUERTA) MINIMALISTA (RPT)
 
E-80 - (VENTANA) MINIMALISTA (RPT)
 
E-17 - (CRUCE CURVO) (RPT)
Aire: Clase 3   Agua: Clase 7A   Viento: Clase C5
 
E-75 (RPT)
 
MONOCARRIL MALLORQUINA NACO
 
E-18 - (BALCONERA MULTIPUNTO)
Aire: Clase 3   Agua: Clase 7A   Viento: Clase C5
 
E-80 - (VENTANA)
Aire: Clase 3   Agua: Clase 7A   Viento: Clase C5
 
E-80 - (VENTANA) (RPT)
Aire: Clase 3   Agua: Clase 7A   Viento: Clase C5
 
MONOCARRIL MALLORQUINA KIKAU CORREDERA
 
E-17 - (CRUCE RECTO) (RPT)
Aire: Clase 3   Agua: Clase 7A   Viento: Clase C5
 
E-24 - (MARCO 77 RECTO - HOJA PERIMETRAL)
Aire: Clase 3   Agua: Clase 6A   Viento: Clase C5
 
E-15 - (P.BALCONERA - HOJA 60MM MULTIPUNTO)
Aire: Clase 3   Agua: Clase 6A   Viento: Clase C5
 
E-15 - (VENTANA HOJA 60MM)
Aire: Clase 3   Agua: Clase 6A   Viento: Clase C5
 
E-75 (RPT)
Aire: Clase 4   Agua: Clase 7A   Viento: Clase C5
 
E-18 - (VENTANA - CRUCE CURVO)
Aire: Clase 3   Agua: Clase 7A   Viento: Clase C5
 
E-60 - (ELEVABLE) (RPT)
Aire: Clase 4   Agua: Clase 7A   Viento: Clase C5
 
E-24 - (MARCO RECTO 77 - HOJA PER. MULTIPUNTO)
Aire: Clase 3   Agua: Clase 6A   Viento: Clase C5
 
E-70 - (PERIMETRAL)
Aire: Clase 4   Agua: Clase 7A   Viento: Clase C5
 
E-21 - (HOJA PERIMETRAL MULTIPUNTO)
Aire: Clase 3   Agua: Clase 6A   Viento: Clase C3
 
E-80 - (PUERTA) (RPT)
Aire: Clase 4   Agua: Clase 7A   Viento: Clase C5
 
E-80 - (PUERTA)
Aire: Clase 4   Agua: Clase 7A   Viento: Clase C5
 
E-24 - (MARCO Y HOJA PERIMETRAL)
Aire: Clase 3   Agua: Clase 6A   Viento: Clase C5
 
E-21 - (PERIMETRAL)
Aire: Clase 3   Agua: Clase 6A   Viento: Clase C3
 
E-18 - (VENTANA - CRUCE RECTO)
Aire: Clase 3   Agua: Clase 7A   Viento: Clase C5
 
E-18 - (PUERTA MULTIPUNTO)
Aire: Clase 3   Agua: Clase 7A   Viento: Clase C5
 
E-24 - (MARCO 70 RECTO - HOJA PERIMETRAL)
Aire: Clase 3   Agua: Clase 6A   Viento: Clase C5
 
E-24 -(MARCO 70 RECTO - HOJA PER. MULTIPUNTO)
Aire: Clase 3   Agua: Clase 6A   Viento: Clase C5
Mallorquina
 
NACO
 
KIKAU
Plegable
 
NACO ACRISTALADA
 
NACO MALLORQUINA
 
MALLORQUINA KIKAU
Pivotante
 
E-28
 
E-36 (RPT)
 
E-22
 
E-25 (RPT)

Información Series de Perfiles

CONDICIONES SERIES: La configuración de series y herrajes se ha realizado en base a la documentación disponible, presentada por el fabricante o por el cliente.Se trata de un servicio de introducción inicial de la información, que el usuario debe comprobar, completar y, en su caso, corregir.Debido a las singularidades del producto, no es técnicamente posible comprobar que todas las posibles combinaciones y diseños son correctos o conformes a las expectativas y peculiaridades de fabricación del cliente.Es por ello que el cliente debe comprobar y corregir los despieces si no se ajustan a su forma de fabricación.

¡ Pruébelo GRATIS !

Puede probar sin compromiso y de forma gratuita la aplicación.
Le facilitamos una Guía con los primeros pasos a seguir.


Programa de Prueba
Gaia Servicios Informáticos, SL - c/Alicante, 82 local 3 - 03690 San Vicente del Raspeig - Alicante - España - +34 965 671 826
(c) 2016 Gaia Servicios Informáticos,SL. Todos los derechos reservados  -  Vea nuestra Política de Privacidad - Mapa del Sitio - Sobre Gaia